一、应用背景
随着我国智慧城市和平安城市的建设,网络摄像机如雨后春笋般快速增长起来,网络摄像机已经为现在监控的主力军,高清网络摄像机在各行各业都得到了普遍的运用,百万像素高清摄像机的出现更是带动了安防市场的急速扩张。
室外视频监控摄像机耐压能力低,在雷雨多发的季节常常面临着防雷等严峻问题,恶劣的环境对于摄像机的防雷等级提出了更高的要求。
二、网络监控摄像机雷击过电压防护方案

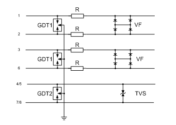
PoE供电网络监控摄像机雷击过电压防护方案电路图
三、方案说明
1、网络信号传输部分(12、36线对):
采用两级防护电路,第一级采用大通流容量的高性能GDT将大部分雷击能量泄放入地,第二级采用快速响应二极管组成的电路进一步钳制过电压幅值,中间采用电阻退耦,在不影响信号传输的基础上保证两级保护电路之间的能量配合。
2、直流电源部分(45、78线对):
采用两级防护电路,第一级采用大通流容量的高性能GDT将大部分雷击能量泄放入地,第二级采用快速响应TVS进一步钳制过电压幅值。
四、器件参数选择:
陶瓷气体放电管型号:SE93-75X
直流击穿电压:75+20%V
最大脉冲放电电压(1KV/µs):700V
峰值放电电流(8/20µs):10KA
最小绝缘电阻:1GΩ
电容C(1MHz):2pF
创海新tvs管型号:SA85CA
击穿电压VBR:104V
最大钳制电压VC:137V
峰值放电电流IPP(10/700µs):3.7A
漏电流IR:≤5µA
电阻R:额定电阻2.2Ω,功率1w;
二极管VF:整流电流1A,电压200V。
Copyright © 深圳市创海新电子有限公司 版权所有
粤ICP备455495499
全国服务电话:0755-85211081 传真:0755-85211081
公司地址:深圳市坪山新区坪山街道石井社区咸水湖路76号5楼