一、USB2.0简介:
通行串行总线(英语:Universal Serial Bus,缩写:USB)是一种常用的接口,被广泛地应用于个人电脑和移动设备等信息通讯产品。他只有4根线,两根电源两根信号,故信号是串行传输的,USB2.0的速度可以达到480Mbps,可以满足各种工业和民用需要。USB接口的输出电压和电流是:+5V ,500mA。实际上有误差,最大不能超过+/-0.2V 也就是4.8-5.2V 。
USB芯片集成度高,很脆弱,易受静电损坏,在信号高速传输过程中不容忍丢包,不得不考虑抑制雷电或静电造成的瞬态过电压干扰,以保证传输质量。
二、应用场景:
笔记本电脑;
台式电脑;
网络打印机;
车载USB接口;
多媒体音响;
移动手持电子设备;
其他带有USB2.0接口的设备。
三、方案介绍:
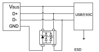
如图,在电源线、数据线与GND之间利用暂态抑制二极管TVS泄放过电压。当瞬时电压超过电路正常工作电压后,TVS二极管便发生雪崩,提供给瞬时电流一个超低电阻通路,其结果是瞬时电流通过二极管被引开,避开被保护器件,并且在电压恢复正常值之前使被保护回路一直保持截止电压。当瞬时脉冲结束以后,TVS二极管自动回复高阻状态,整个回路进入正常电压。
该ESD静电放电抑制器电路由TVS和普通二极管组成,提供了雷电过电压和静电过电压保护,满足GR-1089-CORE对浪涌的测试要求。防静电能力:最小8kV(接触)和15kV(空气)的静电冲击。


USB2.0防雷防静电方案及创海新产品外观
ESD型号采用SOD-143系列,参数选择:
断态电压VRWM:5.0V
击穿电压VBR:6.0V
漏电流IR:1µA
钳位电压VC1:1.5V
电容量C:1.2pF
Copyright © 深圳市创海新电子有限公司 版权所有
粤ICP备455495499
全国服务电话:0755-85211081 传真:0755-85211081
公司地址:深圳市坪山新区坪山街道石井社区咸水湖路76号5楼